Nullschwellen mit Magnet- Doppeldichtung wie hier im Bild von Alumat schaffen einen barrierefreien Durchgang und bieten auch hinsichtlich der Wind- und Schlagregendichtheit sehr gute Werte.

Nullschwellen mit Magnet- Doppeldichtung wie hier im Bild von Alumat schaffen einen barrierefreien Durchgang und bieten auch hinsichtlich der Wind- und Schlagregendichtheit sehr gute Werte. (Foto: © Ulrike Jocham / Alumat)

Technische Möglichkeiten zur Umsetzung der Barrierefreiheit

Die Barrierefreihet ist bei der Konzeption von öffentlichen Bereichen wie beim Bau und der Sanierung von Geschäfts- und Privatgebäuden ein wichtiges Thema.

Welche Vorgaben wo erfüllt werden müssen, gibt die DIN 18040 „Barrierefreies Bauen“ vor. Technische Möglichkeiten zur Umsetzung der Barrierefreiheit stehen heute in großer Bandbreite zur Verfügung.

Gerade deshalb ist es für Menschen, die in ihrer Mobilität eingeschränkt sind, sehr enttäuschend, dass es in öffentlichen Bereichen und Gebäuden immer noch viele unüberwindbare Hürden gibt. Im Folgenden werden wichtige Fragen rund um die Barrierefreiheit behandelt.

1. Was versteht man unter Barrierefreiheit?

Grundsätzlich gilt, dass niemand wegen seiner Behinderung benachteiligt werden darf, und im weiteren Sinn geht es um die Inklusion, also um die Einbeziehung von bisher ausgeschlossenen Akteuren der Gesellschaft.

Im Fokus stehen nicht allein Bewegungseinschränkungen, es geht auch um die Teilnahme am Leben trotz Handicaps wie Sehschwäche, Hörschwäche, kognitiver oder altersbedingter Einschränkungen.

Barrierefreiheit ist nicht nur die Bewegungsmöglichkeit ohne Barrieren, es geht um leichte, einfache Zugänglichkeit und um die ergonomischen Aspekte der Benutzbarkeit, der Erkennbarkeit, der Anwendungsfreundlichkeit oder der Gebrauchstauglichkeit.

2. Ist Barrierefreiheit baurechtlich Pflicht?

Die Anforderung an die Barrierefreiheit hat in Deutschland ihren Ursprung im Artikel 3 (3) des Grundgesetzes. Grundgesetz, Artikel 3: „Niemand darf wegen seines Geschlechtes, seiner Abstammung, seiner Rasse, seiner Sprache, seiner Heimat und Herkunft, seines Glaubens, seiner religiösen oder politischen Anschauungen benachteiligt oder bevorzugt werden. Niemand darf wegen seiner Behinderung benachteiligt werden.“

Weltweit haben zahlreiche Staaten die „UN-Behindertenrechtskonvention“ der Vereinten Nationen von 2006 unterzeichnet, die sich als ein Bestandteil der multilateral abgeschlossenen Menschenrechtsabkommen darstellt. Relevanz erhalten diese grundlegenden Rechte in Deutschland durch die mittlerweile baurechtlich in den Bundesländern eingeführte Norm DIN 18040 Barrierefreies Bauen.

Teil 1 betrifft öffentlich zugängliche Gebäude, Teil 2 Wohnungen und Teil 3 den öffentlichen Verkehrs- und Freiraum. Die DIN 18040-2 für Wohnungen berücksichtigt dabei insbesondere die Bedürfnisse von Menschen mit Sehbehinderung, Blindheit, Hörbehinderung (Gehörlose, Ertaubte und Schwerhörige) oder motorischen Einschränkungen sowie von Personen, die Mobilitätshilfen und Rollstühle benutzen.

Auch für andere Personengruppen wie z. B. groß- oder kleinwüchsige Personen, Personen mit kognitiven Einschränkungen, ältere Menschen, Kinder sowie Personen mit Kinderwagen oder Gepäck führen einige Anforderungen dieser Norm zu einer Nutzungserleichterung. Somit sind die Anforderungen aus der Norm heute schon Pflicht und nicht nur Luxus.

3. Was ist bei Türen und Fenstern zu beachten?

DIN 18040-2, S. 14 – Bild 4 – a Bewegungsflächen vor Drehflügeltüren. Foto: © BF/VFFDIN 18040-2, S. 14 – Bild 4 – a Bewegungsflächen vor Drehflügeltüren. Foto: © BF/VFF

Türen müssen deutlich wahrnehmbar, leicht zu öffnen, zu schließen und sicher zu passieren sein. Ganzglastüren und großflächig verglaste Türen müssen sicher erkennbar sein, zum Beispiel durch Sicherheitsmarkierungen, die über die gesamte Glasbreite reichen, die visuell stark kontrastierend sind und die in einer Höhe von 40 cm bis 70 cm und von 120 cm bis 160 cm über OFF (Oberkante fertiger Fußboden) angeordnet werden.

Untere Türanschläge und Schwellen sind nicht zulässig. Sind sie technisch unabdingbar, dürfen sie nicht höher als zwei Zentimeter sein.

Die wichtigsten geometrischen Anforderungen an Türen sind:
- Die lichte Breite des Durchgangs ist ≥ 90 cm
- Die lichte Höhe ≥ 205 cm über OFF - Zugeordnete Beschilderungen mit Höhe 120 cm bis 140 cm über OFF
- Die Greifhöhen und Bedienhöhen betragen grundsätzlich 85 cm über OFF
- Rollstuhlnutzer können Türdrücker nur erreichen, wenn die Greiftiefe nicht zu groß ist. Das ist bei Leibungstiefen von max. 26 cm immer erreicht. Für größere Leibungen muss die Nutzbarkeit auf andere Weise sichergestellt werden. Hinsichtlich der Bewegungsflächen vor Drehtüren sind die in der Grafik angeführten Anforderungen (Angaben in cm) einzuhalten.

4. Ist die Nullschwelle realisierbar?

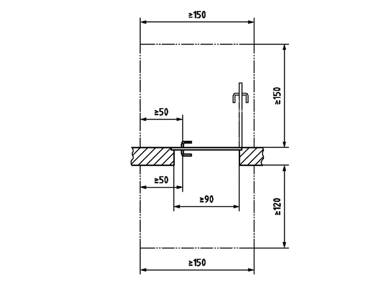
Auf dem Markt befinden sich schlagregendichte barrierefreie Magnet-Türdichtungen, deren Dichtschwellen beim Öffnen in eine Bodenfuge absinken. Unabhängig ob die Schwelle komplett plan ist oder die geforderte Höhe unter zwei Zentimetern liegt, ist die Wasserableitung zu planen. Bei einer barrierefreien Ausführung von Türschwellen ist eine Unterschreitung der üblicherweise geforderten Abdichtungshöhe von 150 mm zulässig und auch unabdingbar.

Allerdings werden bauseitig zusätzliche konstruktive Maßnahmen zur Vermeidung von Feuchtigkeitsschäden zwingend erforderlich. Solche Maßnahmen könnten in Form einer Entwässerungsrinne oder mit einer geeigneten Überdachung umgesetzt werden. Barrierefreie Schwellen sind trotz der Abwehr von Spritzwasser, Schlagregen oder Schmelzwasser zum Innenbereich hin der Kondensatbildung ausgesetzt.

Diese raumseitig angrenzenden Bodenbeläge sind entsprechend feuchteunempfindlich zu gestalten. Somit ist es eine Planungsaufgabe, einen fachgerechten Anschluss unter Einbindung der angrenzenden Gewerke abzustimmen.

Von Ralph Matthis

Den bebilderten Fachartikel als PDF-Datei herunterladen: Technische Möglichkeiten zur Umsetzung der Barrierefreiheit

Das könnte Sie auch interessieren: